
湖北襄阳忠东机电设备有限公司
手机:15871070288 彭经理
Q Q:61102568
手机:13597504406 秦经理
Q Q: 2448782675
电话:0710-2350995
传真:0710-3816559
邮箱:xyzdjd@126.com 或 hbzdjd@126.com
网址:www.xyzdjd.com
地址:中国湖北襄阳市樊城区柿铺正英工业园
ZDR绕线电机液体电阻起动柜

ZDR系列绕线电机液体电阻起动柜
俗称(水阻柜、液阻柜、液体变阻器柜、液阻起动柜、水电阻启动柜、液态软启动柜、液阻软启动柜)
一、概述
ZDR系列液体电阻起动器可广泛用于水泥、化工、钢铁、冶金、矿山等.行业90-lOOOOKW绕线式异步电机。
二、工作原理
ZDR系列液体电阻起动器是采用介质的水溶液作为电阻,在设计的液阻箱中引入极板作电极串入电机转子回落中,电机起动时,由一小功率伺服电机带动极板移动来改变极板的相对位置,使(串入转子回路时)液体电阻由大到小作无极变化,从而使电机低电流平滑起动。
三、环境条件
周围空气温度: (-40-+50)℃
相对湿度:≤90%
海拨高度:≤ZOOOrn
安装场所无显著摇动和冲击振动;无腐蚀性气体;安装倾斜度≤5℃
电源要求:三相四线交流380V±10%,50HZ
四、技术参数
起动电流:lq≤1.3le
起动时间:10-60S,预整定,现场可调;
起动次数:连续起动5-10次;
电液正常工作温度:0~70℃;
柜体防护等级:lP20 lP30;
五、性能特点
起动性能频敏变阻器、油浸变阻器、铸铁电阻等起动器;
软起动,起动电流小,约为电机额定电流的1.3倍;
可连续起动5-1O次;
起动过程平滑,对设备无机械应力冲击,可延长机械设备;
可低电压起动,电网电压低于电机额定电压的10%时,可顺利起动;
适用性广,可适用负载状况下绕线式电机软起动,特别适用于重载起动;
具有起动超时、失压、超行程、超温等多重保护功能;
寒冷地区带自动加热功能;
结构简单、可靠,安装、维护方便。
六、型号说明
转子电流为起动器选型的主要依据,功率为起动器的选型的辅助依据。ZDR系列绕线电机液体电阻起动器一般参数如下表:
注:因现场环境差别及用户需求各异,实际参数可能与上述参数有所差异。
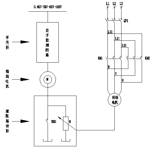
七、一次原理图
八、订货须知
提供绕线电机型号、额定功率、定子电流、定子电压、转子电流、转子电压;
提供电机拖动的负载特征(工况说明);
是否成套订货,成套订货包括:高(低)压一次柜、液体电阻起动柜;
注明高压一次柜柜型(GG1A、XGN等);
其它要求,请在订货时与公司申明或协商。
襄阳忠东机电设备有限公司 ©2014-2018 XYZDJD CHINA ALL RIGHTS RESERVED 站长统计